Размер котельной в частном доме. Требования к помещению для твердотопливного котла
Чтобы система отопления была эффективной и могла безопасно использоваться, на этапе ее проектирования и монтажа важно строго соблюдать требования к котельным на твердом топливе. Прежде всего котел должен устанавливаться в отдельном помещении, к которому также предъявляются особые требования. Именно о них и пойдет речь в этой статье.
Основные требования к помещению котельной заключаются в следующем:
- Минимальная площадь котельной равняется 8 кв. м. Этот показатель зависит от мощности котла. На каждый киловатт мощности размер котельной для частного дома увеличивают на 0,2 кв. м.
- При установке котла необходимо обращать внимание на удобство его дальнейшего обслуживания, проведения профилактических или ремонтных работ.
- Если используется твердотопливный котел, его размещают на прочном основании, которое возвышается над полом на 10 см и более.

- Если котельную размещают в пристройке, в помещении можно сделать два разных входа. Важно, чтобы дверь была термостойкой.
- Требования к котельной в частном доме предполагают укладку металлического листа под топочным отделом. Стены отделывают асбокартонными листами. Также все используемые при обустройстве котельной в частном доме отделочные материалы должны относиться к группе негорючих.
- Вентиляция в помещении котельной должна быть комплексной. Для естественного воздухообмена используют дверь и окна.
- При организации освещения преимущество стоит отдавать естественному. В котельной должно быть окно. Дополнительно устанавливают электрические светильники. Также рекомендуется организовать аварийное освещение.
- При организации дымоотвода учитывают те же правила, что и для печи. Высота дымовой трубы должна составлять не менее 5 м. Допустимое число поворотов или изгибов равняется трем.
Размер выходного отверстия зависит от технических характеристик оборудования, но не меньше размера выходного патрубка. - Стены котельной и жилого здания не должны быть смежными.
- Высота потолка в котельной не может быть менее 2,5 м.
Требования к освещению
Нормы для котельной в частном доме предусматривают установку в помещении качественного освещения. Где бы не размещалось помещение котельной — подвале, цокольном этаже или отдельно стоящем здании, здесь должно быть окно. Его размеры рассчитываются, исходя из площади постройки. На 1 куб. м пространства должно быть 0,03 квадратных метра остекления.
Днем должно быть достаточно естественного света. В темное время суток необходимо использовать светильники. Хорошим вариантом для его обустройства являются LED-светильники. Они не только экономичны в плане энергосбережения, но еще и отличаются высоким уровнем пожаробезопасности, экологичностью и удобством в применении.
В котельной обязательно должно присутствовать аварийное освещение. Его питание осуществляется от независимых линий. Светильники в таком случае должны обязательно размещаться в таких местах:
- комната, в которой находятся контрольно-измерительные приборы, щиты и пульт управления системой отопления;
- рядом с водоподготовительной установкой;
- между котлоагрегатами;
- рядом с вентилятором или дымоходом;
- возле золоулавливателя и насоса;
- возле деаэрационной системы.
Установка электроприборов, системы освещения и заземляющих устройств проводится в соответствии с правилами для электроустановок.
Требования к вентиляции
Требования к котельной в частном доме предполагают использование естественного или искусственного воздухообмена в специально оборудованном помещении. Иногда они могут совмещаться.
К преимуществам естественного типа вентиляции относят отсутствие затрат на нее. Ее работа основана на разнице давления и температуры воздуха внутри и снаружи котельной.
Вентиляция будет эффективной, если на каждый киловатт мощности оборудования будет приходиться не менее 30 кв. см приточного отверстия. Его размещают на высоте 25-30 см выше уровня пола. Сюда вставляется труба подходящего диаметра, которая снаружи защищена сеткой, а внутри имеет обратный клапан.
Недостатком такой системы называют зависимость от погоды на улице.
Частичный воздухообмен также осуществляется через щели, которые могут быть в дверных или оконных проемах, между плитами перекрытия.
Для организации искусственной вентиляции используют специальную климатическую технику, способную притягивать свежий воздух снаружи здания, вытесняя на улицу отработанный и обеспечивать циркуляцию внутри помещения.
Вентиляционные каналы должны размещаться горизонтально. Расчет протяженности трассы производится индивидуально для каждой котельной.
При обустройстве вентиляции следует учитывать важные моменты:
- Важно наличие отдельного воздуховода.
- Места, в которых вентиляционные каналы стыкуются друг с другом, должны быть герметично обработаны термоустойчивыми средствами.
- К одному дымоходу может быть подключено не более двух котлов.
- В потолке необходимо соорудить воздушный канал.
При обустройстве помещения, в котором будет располагаться оборудование для отопления, необходимо учитывать не только размер котельной в частном доме, но и множество других параметров.
Поделиться в соцсетях
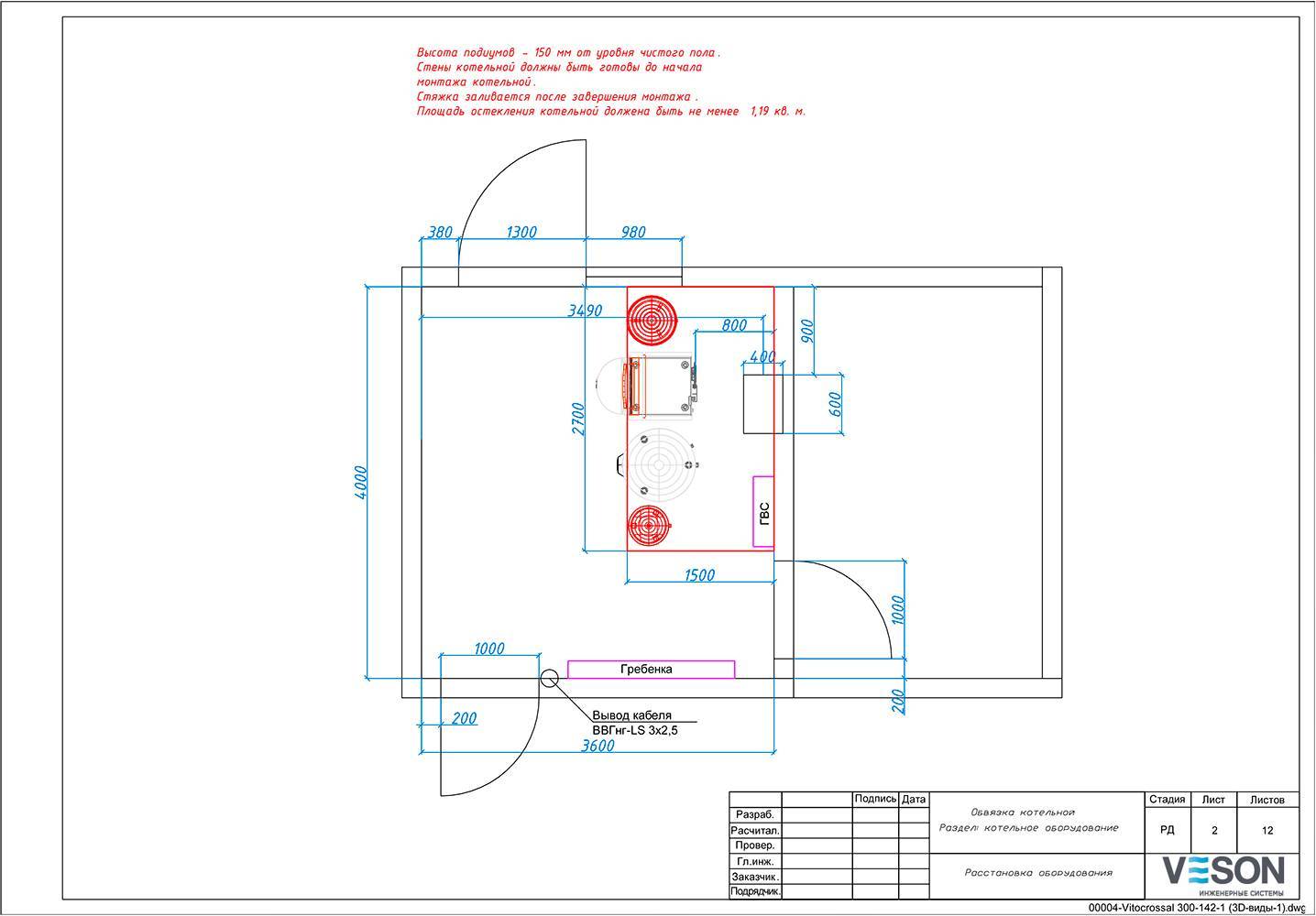
Обустройство котельной в частном доме
Согласно существующим стандартам и нормам, отопительный котел на твердом сырье — дровах, угле, пеллетах — должен располагаться в отдельном, грамотно обустроенном помещении. О его планировке следует подумать еще на стадии подготовки проекта. Важно понимать, что правильно оборудованное техническое помещение под твердотопливный котел – один из залогов вашей собственной безопасности.
Для небольших газовых и электрических моделей специальной топочной не нужно – такое оборудование легко и удобно размещается на кухне или в прихожей.
Основные требования к котельной с твердотопливным котлом
При обустройстве подобных помещений необходимо учитывать следующее:
- Минимальная площадь топочной — 8 м2. Объем пристройки должен составлять не менее 15 м3 + 0,2 м3 на каждый киловатт мощности системы отопления.
- Высота потолка — как минимум 2,5 м.
- Расстояние от фронтальной части котла до противоположной стены — от 2 м.
- Отопительное устройство рекомендуется располагать на специальном прочном и жаростойком основании высотой не менее 10 см.
- В помещении обязательно должно быть как минимум одно окно. Общая площадь окон рассчитывается по формуле: 0,03 м2 остекления на каждый 1 м3 объема топочной.

- Входная дверь должна быть выполнена из огнеупорного металла с показателем огнестойкости 0,6 ч. Важно, чтобы она открывалась наружу. Ширина двери — от 80 см.
- Еще одно требование к котельной для твердотопливного котла, не зависящее ни от ее размера, ни от местоположения, — это высокий уровень огнеупорности. Оптимальный материал для отделки пола в таком помещении — керамическая плитка. Стены должны быть выполнены из огнеупорного кирпича.
- Необходимо оборудовать естественную и принудительную вентиляцию. Естественная циркуляция воздуха осуществляется через оконные и дверные проемы. Система принудительной вентиляции обустраивается из расчета 8 см2 сечения канала на каждый киловатт мощности оборудования.
- Пол под топочным отделением застилают листовым металлом. Для защиты стен рекомендуется использовать асбокартонные пластины.
- Очень важно, чтобы в котельной не было пыли, мусора, химически активных и горючих веществ.

Последние могут спровоцировать возгорание вне топочной камеры, а пыль способствует скоплению сажи в дымоходе.
Схема котельной с твердотопливным котлом
Помещение, в котором вы разместите отопительное оборудование, может находиться:
- …внутри дома. Этот вариант подходит для газовых и электрических котлов небольшой мощности. Что касается твердотопливных моделей, то их рекомендовано выносить за пределы жилых помещений.
- …в пристройке. Это отдельное здание, возведенное впритык к одной из стен коттеджа. При этом важно, чтобы расстояние от стенок пристроенной котельной до окон и дверей дома было не менее 1 метра. У топочной должен быть отдельный фундамент и четыре, а не три стены.
- …в отдельно стоящем здании. В этом случае котельная располагается недалеко от коттеджа и соединяется с жилыми помещениями инженерными коммуникациями. Отдельно стоящая котельная с твердотопливным котлом – самый безопасный и удобный вариант для владельцев частных домов.

В помещении топочной необходимо выделить место для следующих обязательных элементов отопительной системы:
- Твердотопливный котел;
- Бойлер с теплоносителем;
- Обвязка котла — расширительные баки, насос, грязевик и т.д.;
- Распределительный коллектор для направления воды по контурам;
- Группа безопасности котла для выведения воздуха из системы;
- Котловая автоматика для управления работой всей системы;
- Оборудование для тушения возгораний.
В топочной может также располагаться дополнительный бойлер косвенного нагрева, который обеспечивает подачу горячей воды в дом, если в качестве отопительного оборудования используется одноконтурное устройство.
Вентиляция в котельной с твердотопливным котлом
В помещении, которое предназначается для генератора тепловой энергии, обязательно должна быть установлена приточная и вытяжная вентиляция.
При этом важно, чтобы она работала максимально исправно и не зависела от электричества. Согласно существующим правилам, воздух в топочной должен циркулировать и обновляться не менее трех раз за час.
Канал естественной вытяжки обустраивают непосредственно над отопительным котлом. Именно в этой части помещения скапливается воздух с пониженным содержанием кислорода, а также продукты горения. Чтобы тяга была достаточной, трубу располагают строго вертикально. Ее высота должна составлять не менее трех метров. На противоположной стене котельной, ближе к полу, обустраивается канал приточной вентиляции. Его можно закрыть решеткой из жаропрочного материала. Она не позволит насекомым проникать внутрь помещения, а также защитит котельную от мусора с улицы.
Размеры приточной вентиляции для котельной с твердотопливным котлом рассчитывается по следующей формуле: на каждый 1 кВт мощности котла требуется 8 см2 площади сечения канала.
Если забор воздуха идет из смежного помещения, то на то же количество мощности аппарата будет приходиться уже 30 см2 площади сечения.
Котельные с твердотопливным котлом в частном доме часто оснащаются системами искусственной вентиляции. В вытяжном и входном каналах устанавливаются электрические вентиляторы, которые обеспечивают более интенсивную циркуляцию воздуха. Мощность аппаратов рассчитывается таким образом:
Объем котельной * 3 + 10-30% (для резерва производительности)
Таким образом, для помещения объемом 10 м3 мощность вентиляторов должна составлять не менее 33 кВт. Важно, чтобы устройства были выполнены в жаропрочных металлических корпусах – это защитит их от высоких температур в котельной.
Купить высококачественный отопительный котел на дровах, угле или пеллетах, а также получить профессиональную консультацию по вопросам его монтажа и эксплуатации можно в интернет-магазине «Теплодар».
Просто оставьте заявку на нашем сайте или свяжитесь с менеджерами компании в вашем регионе.
Подача воздуха в котельную | Johnston Boiler
Надлежащая работа любого котла зависит от систем, которые его поддерживают и подключаются к нему. К ним относятся, но не ограничиваются ими; подача свежего воздуха в котельную, система отвода дымовых газов, система подачи топлива, распределительная сеть, а также система распределения пара или горячей воды.
Отправной точкой любой системы сжигания является подача свежего воздуха. Чтобы избежать серьезных проблем с горением, котел должен иметь достаточный запас свежего воздуха и систему подачи, которая не влияет на работу котла.
Сколько воздуха требуется?
В целом были разработаны следующие формулы для определения количества воздуха, необходимого для любой котельной с блочным жаротрубным котлом, работающим на газовом или мазутном топливе.
1. Воздух для горения = HP* x 8 CFM/HP =
2. Вентиляционный воздух = HP* x 2 CFM/HP =
3. Общее количество требуемого воздуха = HP* x 10 CFM/HP =
*HP относится к общая максимальная мощность котла, расположенного в котельной.
Приведенные выше расчеты подходят для установок на высоте до 1000 футов над уровнем моря (fasl). Для установки выше 1000 fasl добавьте 3% дополнительного воздуха на каждые 1000 fasl (или их часть), чтобы учесть изменение плотности воздуха на больших высотах.
Какой размер отверстия наружу требуется в котельной?
Размер отверстий для впуска свежего воздуха и их расположение очень важны. В наружных стенах котельной должно быть не менее двух постоянных отверстий для подачи воздуха. По возможности они должны располагаться на противоположных концах котельной и не выше семи футов над полом. Это будет способствовать тщательному смешиванию с воздухом, уже находящимся в котельной, правильному охлаждению котлов и закалке потенциально более холодного наружного воздуха перед его поступлением в горелку для сжигания.
Воздухозаборные отверстия должны быть защищены от непогоды, но ни в коем случае не должны закрываться мелкоячеистой проволочной сеткой. Этот тип покрытия приводит к плохим характеристикам воздушного потока и подвержен засорению пылью, грязью, бумагой и другими мелкими предметами.
Чтобы определить чистую свободную площадь проема, разделите общий CFM, требуемый в котельной, на допустимую скорость в проеме (см. таблицу ниже).
Допустимые скорости воздуха в котельной
0–7 футов над полом 250 футов в минуту
Выше 7 футов в высоту 500 футов в минуту
Размер проема снаружи должен быть не менее одного квадратного фута.
Необходимо следить за тем, чтобы никакие водяные, масляные или паровые трубопроводы не проходили на прямом пути холодного свежего воздуха, поступающего через какое-либо отверстие для наружного воздуха. Обогреваемые трубопроводы мазута должны быть защищены от холодного воздуха, и они должны иметь электрическую или паровую трассировку и изоляцию.
Как насчет воздуховодов?
В некоторых случаях котельная располагается в здании без наружных стен. Многие из этих применений не имеют достаточного количества добавочного воздуха на заводе, чтобы удовлетворить потребности в воздухе для горения. В этих случаях есть два решения:
Первое – подача свежего воздуха в котельную. Там, где это требуется, можно использовать общие правила размеров проема в стене для притока свежего наружного воздуха. Размер воздуховода снаружи и его свободное открытое пространство для входа ни в коем случае не должны быть меньше отверстия в стене котельной. Кроме того, падение давления в воздуховоде при максимальном расходе никогда не должно превышать 0,05″ водяного столба.
Второй воздуховод подает свежий воздух прямо в котел. В общем, этого метода подачи воздуха следует избегать, когда это возможно. Недостатки этого типа системы намного превышают любые предполагаемые преимущества. При использовании воздуховод становится частью котловой системы и может влиять на стабильность горения из-за меняющихся погодных условий, направления и скорости ветра, влажности и температуры.
Изменение температуры наружного воздуха от -10°F зимой до 80°F летом (многие районы страны шире) может привести к тому, что горелка, настроенная на сжигание 15% избытка воздуха в самый холодный зимний день, будет иметь 5%-ный недостаток воздуха в теплый день. день. Это может привести к массовому выделению CO, образованию сажи, а также нестабильному и небезопасному сгоранию.
Если необходимо использовать прямой воздуховод, мы предлагаем выполнить следующие минимальные шаги:
1. Каждый котел имеет свой собственный, полностью отдельный воздуховод свежего воздуха и дымовую трубу. Совместное снабжение воздухом и выхлопные трубы приведут к проблемам с горением и небезопасным условиям эксплуатации.
2. Котлы, напрямую подключенные к воздуховодам свежего наружного воздуха, должны каждые три месяца проверяться сертифицированным специалистом по жаротрубным котлам на правильность регулировки горения и работоспособность.
3. Размер воздуховода, подающего свежий воздух в котел, должен быть таким, чтобы максимальный перепад давления при максимальном расходе составлял 0,05″ водяного столба.
4. Канал подачи свежего воздуха должен иметь электрический, водяной или паровой нагреватель, чтобы охлаждать холодный наружный воздух как минимум до 50EF.
5. Если в приложении используется низкий уровень выбросов с рециркуляцией дымовых газов, не используйте прямой канал наружного воздуха. Потенциальные проблемы, связанные со стандартной горелкой, усугубляются с горелкой с низким уровнем выбросов.
Модель дымохода котла
Пример расчета
Определите чистую свободную площадь отверстий подачи в котельную для одного котла мощностью 300 л.с. и одного котла мощностью 800 л.с., находящихся в одной котельной. Котельная, расположенная на высоте 1800 м над уровнем моря, и ее непосредственные входы наружного воздуха должны находиться на высоте пяти футов над уровнем пола.
Общая максимальная мощность = 300 + 800 = 1100 л.с. 08 Требуется чистая свободная открытая площадь = = 45,32 кв. футов.
250
В котельной потребуются как минимум два отверстия для свежего воздуха площадью 22,66 кв.
футов (45,32 кв. футов) 2) чистая свободная открытая площадь.
ПРИМЕЧАНИЕ. Для всех применений вышеуказанное является общим минимальным требованием для подачи свежего воздуха. Всегда сверяйтесь с местными нормами, которые могут иметь преимущественную силу над приведенными выше рекомендациями.
Наименьший разумный размер для специальной котельной?
- #1
Я планирую построить специальное здание из бетонных блоков примерно в 30 футах от моего дома, в котором я хотел бы разместить мой внутренний котел Econoburn 200. Что участники думают о минимальном размере? У меня в подвале будет 2 500-галлонных резервуара для хранения пропановой воды, и я не планирую иметь в здании ничего, кроме котла.
Будет ли разумным размер 8 на 8 футов?
Переключить подпись
КрисSW WI
- #2
МИНИМАЛЬНЫЙ минимальный зазор вокруг котла, указанный производителем. В моем случае я построил сарай 12х16. Я разделил внутреннюю часть на 6×12 для котла, панели выключателя и т. д. и 10×12 для хранения дров зимой и выращивания цыплят весной. Конечно, потом я добавил два крыльца 8×16, так что у меня есть свой мини-сарай! Хорошо, когда есть крытые и теплые дрова. Количество энергии, необходимое для оттаивания влаги в древесине, является значительным. Если вы можете хранить дрова рядом с котлом несколько дней или недель, перед использованием их следует оттаять.
Ваш огонь будет гореть легче. В вашем случае я бы выбрал 8×12 как минимальный размер. Посмотрим, смогу ли я сделать фото на этих выходных. Мне нужно вымыть под давлением и окрасить, чтобы он соответствовал дому. Кровля и бревенчатый сайдинг остались от постройки дома несколько лет назад.
Переключить подпись
Orlan Paxo 40
Хранение 1000 галлонов
Бензопилы Stihl 250 и 310
44 акра смешанной лиственной древесины
100% энергия ветра от CleanCurrents
- #3
гг
Переключить подпись
Froling S3 50
Герметичный резервуар емкостью 1000 галлонов
Дровокол Tmberwolf TW-P1
- #4
8’x8′ было бы очень тесно. Внутренние размеры здания из бетонных блоков составляют 6 футов 8 дюймов на 6 футов 8 дюймов. Сделайте чертеж помещения в масштабе, учитывая все необходимые зазоры для обслуживания котла, циркуляционных насосов и т. д., а также поворот двери, и, если кажется, что есть место, нарисуйте его в натуральную величину мелом на подъездной дорожке и посмотрите, работает ли он.курибо сказал:
Я планирую построить специальное здание из бетонных блоков примерно в 30 футах от моего дома, в котором я хотел бы разместить внутренний котел Econoburn 200. Что участники думают о минимальном размере? У меня в подвале будет 2 500-галлонных резервуара для хранения пропановой воды, и я не планирую иметь в здании ничего, кроме котла. Будет ли разумным размер 8 на 8 футов?
Нажмите, чтобы развернуть…
! Всегда приятно иметь в комнате место для сухих дров.
Наша котельная 22 х 9′ внутренние размеры которого 6’x10′ занимает накопительный бак. Это оставляет место для небольшого котла плюс место для 1 1/2 корда дров.
Переключить подпись
Ведолюкс 450/1045 имп галлонов хранения!
Jetstream исчез через 37 лет.
- #5
У меня есть 12 x 14. У меня есть 2 вертикальных баллона с пропаном на 500 галлонов. Без резервуаров и места для хранения дров я мог бы обойтись 8×12. Если бы я мог построить его снова, я бы выбрал 12 x 16, чтобы было немного больше места между дровами и котлом.

Размер выходного отверстия зависит от технических характеристик оборудования, но не меньше размера выходного патрубка.

